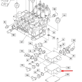
ZAWÓR POZIOMOWANIA KABINY F071532

Informacje dodatkowe:

ZAWÓR POZIOMOWANIA KABINY F071532
PASUJE DO PONIŻSZYCH MASZYN MARKI JOHN DEERE:

  • 1270D
  • 1470D

Może zainteresuje Ciebie również: